Sena 90 puuhella

(kuva kohteelle) Sena 90 puuhella
Sena 90 puuhella
(kuva kohteelle) Sena 90 puuhella
Sena 90 puuhella
(kuva kohteelle) Sena 90 puuhella
Sena 90 puuhella
(kuva kohteelle) Sena 90 puuhella
Sena 90 puuhella
(kuva kohteelle) Sena 90 puuhella
Sena 90 puuhella
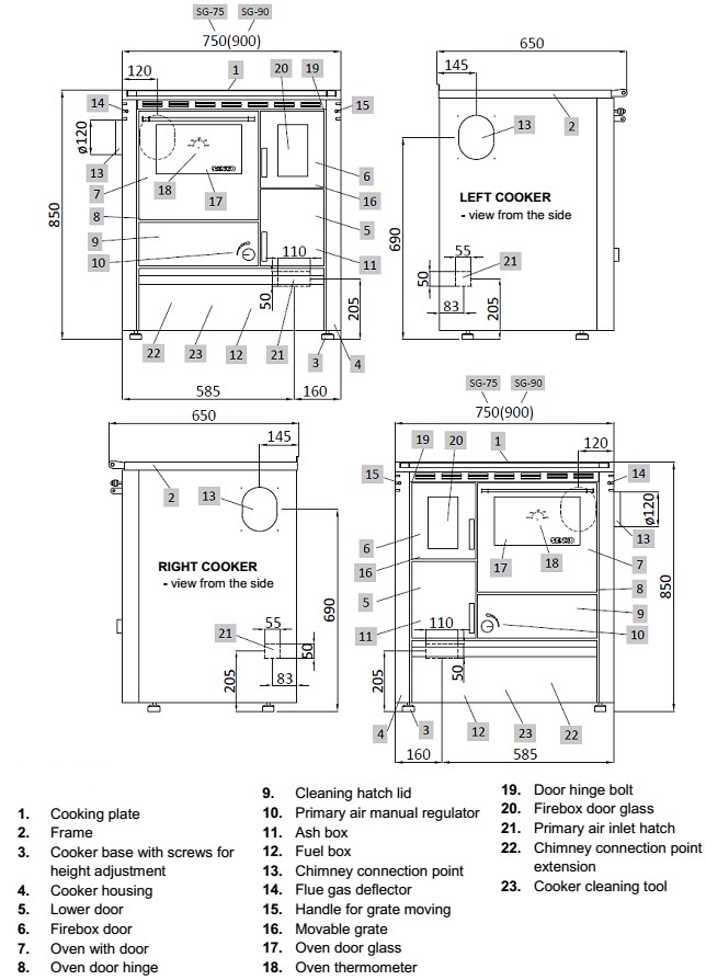
  • Malli: sg90
  • Rahdituspaino: 580 kg

Alkaen: €2,621.33

Valitse:



vasen

a. kätisyys





Sena liesi tuo puulämpöä kotiin!

Ruostumatonta pinta on kestävä ja helppohoitainen!

Tekniset tiedot:

  • Nimellisteho: 7,5 kW
  • Valurautakeittotaso
  • Valurautasydän toisioilman syöttö
  • Ylikuumennussuoja ja turvakahvat
  • Nimellinen suorituskyky: 72%
  • Lämmitettävä tilavuus: 199 m³
  • Polttoaine: klapit
  • Savuyhde: Ø 120 mm
  • Mitat: 90 x 65 x 85/92 cm
  • Uunin mitat: 40 x 44 x 23 cm
  • Keittotason mitat: 82 x 49cm
  • Tulikammio : 27 dm³ ,
    Puuhella voidaan liittää varaavaan hormiin -kivipatteriin. [kivipatteri 1100]

    Näin saadaan sekä nopea että pitkä lämpö. Hella voi yhdistää molemmat edut - tuottaa lämpöä nopeasti sekä luovuttaa lämpöä pitkään! Samalla kivipatteri pienentää turvaetäisyydet taakse.
    Valitse:
  • Oikea : savuyhde oikealla sivulla / takaseinässä oikealla
  • Vasen : savuyhde vasemmalla / takaseinässä vasemmalla
  • Metallinen: musta, vaalea ruskea tai punainen

  • Tietosuojaseloste © 2026 Kotituli.fi. Yhteystiedot ja Itsenouto